
Вы нашли документ, содержащийся в электронной базе документов - "ТЕХЭКСПЕРТ"!
ГОСТ Р 53561-2009 Арматура трубопроводная. Прокладки овального, восьмиугольного сечения, линзовые стальные для фланцев арматуры. Конструкция, размеры и общие технические требования
Данный раздел/документ содержится в продуктах:
- Стройэксперт. "Вариант Лидер"
- Строительство автомобильных дорог
- Поправка к ГОСТ Р 53561-2009 Арматура трубопроводная. Прокладки овального, восьмиугольного сечения, линзовые стальные для фланцев арматуры. Конструкция, размеры и общие технические требования
- Поправка к ГОСТ Р 53561-2009 Арматура трубопроводная. Прокладки овального, восьмиугольного сечения, линзовые стальные для фланцев арматуры. Конструкция, размеры и общие технические требования (с Поправками)
- Изменение N 1 ГОСТ Р 53561-2009 Арматура трубопроводная. Прокладки овального, восьмиугольного сечения, линзовые стальные для фланцев арматуры. Конструкция, размеры и общие технические требования
- Строительное производство и проектирование (технические нормы, правила, стандарты)
- Поправка к ГОСТ Р 53561-2009 Арматура трубопроводная. Прокладки овального, восьмиугольного сечения, линзовые стальные для фланцев арматуры. Конструкция, размеры и общие технические требования
- Поправка к ГОСТ Р 53561-2009 Арматура трубопроводная. Прокладки овального, восьмиугольного сечения, линзовые стальные для фланцев арматуры. Конструкция, размеры и общие технические требования (с Поправками)
- Изменение N 1 ГОСТ Р 53561-2009 Арматура трубопроводная. Прокладки овального, восьмиугольного сечения, линзовые стальные для фланцев арматуры. Конструкция, размеры и общие технические требования
- Комментарии, статьи, консультации по вопросам строительства
- Строительство автомобильных дорог
- Техэксперт: Дорожное строительство
- Строительство автомобильных дорог
- Поправка к ГОСТ Р 53561-2009 Арматура трубопроводная. Прокладки овального, восьмиугольного сечения, линзовые стальные для фланцев арматуры. Конструкция, размеры и общие технические требования
- Поправка к ГОСТ Р 53561-2009 Арматура трубопроводная. Прокладки овального, восьмиугольного сечения, линзовые стальные для фланцев арматуры. Конструкция, размеры и общие технические требования (с Поправками)
- Изменение N 1 ГОСТ Р 53561-2009 Арматура трубопроводная. Прокладки овального, восьмиугольного сечения, линзовые стальные для фланцев арматуры. Конструкция, размеры и общие технические требования
- Строительство автомобильных дорог
- Техэксперт: Помощник Проектировщика
- Строительное производство и проектирование (технические нормы, правила, стандарты)
- Поправка к ГОСТ Р 53561-2009 Арматура трубопроводная. Прокладки овального, восьмиугольного сечения, линзовые стальные для фланцев арматуры. Конструкция, размеры и общие технические требования
- Поправка к ГОСТ Р 53561-2009 Арматура трубопроводная. Прокладки овального, восьмиугольного сечения, линзовые стальные для фланцев арматуры. Конструкция, размеры и общие технические требования (с Поправками)
- Изменение N 1 ГОСТ Р 53561-2009 Арматура трубопроводная. Прокладки овального, восьмиугольного сечения, линзовые стальные для фланцев арматуры. Конструкция, размеры и общие технические требования
- Строительное производство и проектирование (технические нормы, правила, стандарты)
- Техэксперт: Машиностроительный комплекс
- Нормы, правила, стандарты в машиностроении
- Поправка к ГОСТ Р 53561-2009 Арматура трубопроводная. Прокладки овального, восьмиугольного сечения, линзовые стальные для фланцев арматуры. Конструкция, размеры и общие технические требования
- Поправка к ГОСТ Р 53561-2009 Арматура трубопроводная. Прокладки овального, восьмиугольного сечения, линзовые стальные для фланцев арматуры. Конструкция, размеры и общие технические требования (с Поправками)
- Изменение N 1 ГОСТ Р 53561-2009 Арматура трубопроводная. Прокладки овального, восьмиугольного сечения, линзовые стальные для фланцев арматуры. Конструкция, размеры и общие технические требования
- Нормы, правила, стандарты и законодательство по техническому регулированию
- Нормы, правила, стандарты в машиностроении
- Техэксперт: Электроэнергетика
- Техэксперт: Теплоэнергетика
- Стройтехнолог
- Техэксперт: Нормы, правила, стандарты и законодательство России
- Техэксперт: Нефтегазовый комплекс
1. Поправка к ГОСТ Р 53561-2009, опубликованная в ИУС N 11, 2011 год:
В каком месте |
Напечатано |
Должно быть |
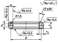
Раздел 3, рисунок 3 |
|
|
Пункт 4.2 |
Прокладки допускается изготовлять |
Прокладки допускается изготавливать |
Пункт 4.11 |
Сопоставление значений номинальных давлений для прокладок к фланцам по ГОСТ 12815 и фланцам по ИСО 7005-1 [1] приведена в приложении А |
Скачать документ нельзя - можно заказать Бесплатно! 1 документ
Документ будет отправлен на указанный Вами e-mail в течение 3 рабочих дней*
Часы работы: с Пн по Пт с 8:30 до 17:30 по московскому времени.
или
Посмотреть возможности крупнейшей электронной библиотеки "Техэксперт" - более 8 000 000 документов!



