
Вы нашли документ, содержащийся в электронной базе документов - "ТЕХЭКСПЕРТ"!
ГОСТ 8240-97 Швеллеры стальные горячекатаные. Сортамент (с Изменением N 1)
Данный раздел/документ содержится в продуктах:
- Техэксперт: Охрана труда
- Техэксперт: Нормы, правила, стандарты и законодательство России
- Техэксперт: Экология. Проф
- Стройэксперт. "Вариант Лидер"
- Строительное производство и проектирование (технические нормы, правила, стандарты)
- Строительство автомобильных дорог
- Техэксперт: Помощник Проектировщика
- Строительное производство и проектирование (технические нормы, правила, стандарты)
- Авиатор
- Техэксперт: Эксплуатация зданий
- Техэксперт: Машиностроительный комплекс
- Техэксперт: Нефтегазовый комплекс
- Техэксперт: Ценообразование и сметное дело в строительстве
- Техэксперт: Дорожное строительство
1. Поправка к ГОСТ 8240-97, опубликованная в ИУС N 12 2004 год, в Информационном Бюллетене о нормативной, методической и типовой проектной документации N 3 2005 год, в Информационном бюллетене "Нормирование, стандартизация и сертификация в строительстве" N 1 2005 год:
В каком месте |
Напечатано |
Должно быть |
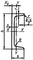
Пункт 2.2. Рисунок 1 |
|
|
рисунок 2 |
|
Скачать документ нельзя - можно заказать Бесплатно! 1 документ
Документ будет отправлен на указанный Вами e-mail в течение 3 рабочих дней*
Часы работы: с Пн по Пт с 8:30 до 17:30 по московскому времени.
или
Посмотреть возможности крупнейшей электронной библиотеки "Техэксперт" - более 8 000 000 документов!



