
Вы нашли документ, содержащийся в электронной базе документов - "ТЕХЭКСПЕРТ"!
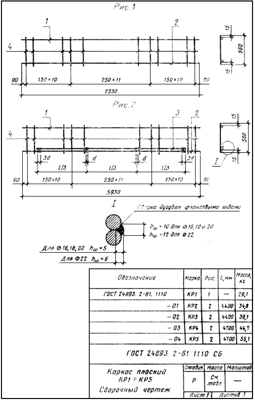
ГОСТ 24893.2-81 Балки обвязочные железобетонные для зданий промышленных предприятий. Арматурные и закладные изделия. Конструкция и размеры (с Изменением N 1)
Данный раздел/документ содержится в продуктах:
- Техэксперт: Охрана труда
- Техэксперт: Нормы, правила, стандарты и законодательство России
- Техэксперт: Экология. Проф
- Стройэксперт. "Вариант Лидер"
- Техэксперт: Помощник Проектировщика
- Авиатор
- Техэксперт: Эксплуатация зданий
- Техэксперт: Нефтегазовый комплекс
- Техэксперт: Машиностроительный комплекс
1. Применение ГОСТ 24893.2-81 на территории Российской Федерации прекращено с 01.01.2017. Взамен с 01.01.2017 введен в действие на территории Российской Федерации ГОСТ 24893-2016 (приказ Росстандарта от 30.06.2016 N 780-ст, ИУС 12-2016).
2. Поправка* к ГОСТ 24893.2-81, опубликованная в ИУС N 8, 1982 год:
_______________
* Поправка не внесена из-за присутствующих в чертеже неточностей. - Примечание изготовителя базы данных.
В каком месте |
Должно быть |
С.6 |
|
3. Правила применения межгосударственных стандартов установлены п.8 ГОСТ 1.0-2015 "Межгосударственная система стандартизации. Основные положения".
Скачать документ нельзя - можно заказать Бесплатно! 1 документ
Документ будет отправлен на указанный Вами e-mail в течение 3 рабочих дней*
Часы работы: с Пн по Пт с 8:30 до 17:30 по московскому времени.
или
Посмотреть возможности крупнейшей электронной библиотеки "Техэксперт" - более 8 000 000 документов!



