
Вы нашли документ, содержащийся в электронной базе документов - "ТЕХЭКСПЕРТ"!
ГОСТ 5443-50 Сталь прокатная. Угольники фланцевые. Сортамент
Данный раздел/документ содержится в продуктах:
- Техэксперт: Нормы, правила, стандарты и законодательство России
- Архив
- ГОСТ 380-50 Сталь углеродистая горячекатаная обыкновенного качества. Классификация и общие технические условия
- ОСТ 1683 Проба на загиб в холодном и нагретом состоянии (не действует)
- ГОСТ 535-45 Сталь углеродистая горячекатаная обыкновенного качества сортовая Технические условия
- ОСТ 10014-39 Сталь прокатная угловая равнобокая. Сортамент (не действует)
- СанПиН 2.3.4.545-96 Производство хлеба, хлебобулочных и кондитерских изделий
- СНиП 2.04.03-85 Канализация. Наружные сети и сооружения (с Изменением N 1)
- Указатель нормативных документов по строительству, действующих на территории Российской Федерации (по состоянию на 01.01.2011 г.)
- СНиП 2.04.03-85 Канализация. Наружные сети и сооружения (с Изменением N 1)
- ГОСТ 8509-86 Уголки стальные горячекатаные равнополочные. Сортамент
- Нормы, правила, стандарты и законодательство по техническому регулированию
- ГОСТ 25878-85 Формы стальные для изготовления железобетонных изделий. Поддоны. Конструкции и размеры (с Изменением N 1)
- ГОСТ 8509-86 Уголки стальные горячекатаные равнополочные. Сортамент
- Все нормы, правила, стандарты
- Архив
- Техэксперт: Машиностроительный комплекс
- Нормы, правила, стандарты в машиностроении
- ОСТ 1683 Проба на загиб в холодном и нагретом состоянии (не действует)
- ОСТ 10014-39 Сталь прокатная угловая равнобокая. Сортамент (не действует)
- ГОСТ 25878-85 Формы стальные для изготовления железобетонных изделий. Поддоны. Конструкции и размеры (с Изменением N 1)
- ГОСТ 535-45 Сталь углеродистая горячекатаная обыкновенного качества сортовая Технические условия
- ГОСТ 380-50 Сталь углеродистая горячекатаная обыкновенного качества. Классификация и общие технические условия
- Нормы, правила, стандарты и законодательство по техническому регулированию
- ГОСТ 25878-85 Формы стальные для изготовления железобетонных изделий. Поддоны. Конструкции и размеры (с Изменением N 1)
- ГОСТ 8509-86 Уголки стальные горячекатаные равнополочные. Сортамент
- Нормы, правила, стандарты в машиностроении
- Техэксперт: Охрана труда
- Нормативные документы по охране труда
- СанПиН 2.3.4.545-96 Производство хлеба, хлебобулочных и кондитерских изделий
- СНиП 2.04.03-85 Канализация. Наружные сети и сооружения (с Изменением N 1)
- Указатель нормативных документов по строительству, действующих на территории Российской Федерации (по состоянию на 01.01.2011 г.)
- СНиП 2.04.03-85 Канализация. Наружные сети и сооружения (с Изменением N 1)
- СанПиН 2.3.4.545-96 Производство хлеба, хлебобулочных и кондитерских изделий
- Нормативные документы по охране труда
- Техэксперт: Экология. Проф
- Система нормативов охраны и рационального использования природных ресурсов
- СанПиН 2.3.4.545-96 Производство хлеба, хлебобулочных и кондитерских изделий
- СНиП 2.04.03-85 Канализация. Наружные сети и сооружения (с Изменением N 1)
- Указатель нормативных документов по строительству, действующих на территории Российской Федерации (по состоянию на 01.01.2011 г.)
- СНиП 2.04.03-85 Канализация. Наружные сети и сооружения (с Изменением N 1)
- СанПиН 2.3.4.545-96 Производство хлеба, хлебобулочных и кондитерских изделий
- Законодательство России
- Указатель нормативных документов по строительству, действующих на территории Российской Федерации (по состоянию на 01.01.2011 г.)
- Система нормативов охраны и рационального использования природных ресурсов
- Стройэксперт. "Вариант Лидер"
- Строительное производство и проектирование (технические нормы, правила, стандарты)
- СанПиН 2.3.4.545-96 Производство хлеба, хлебобулочных и кондитерских изделий
- СНиП 2.04.03-85 Канализация. Наружные сети и сооружения (с Изменением N 1)
- Указатель нормативных документов по строительству, действующих на территории Российской Федерации (по состоянию на 01.01.2011 г.)
- СНиП 2.04.03-85 Канализация. Наружные сети и сооружения (с Изменением N 1)
- ГОСТ 25878-85 Формы стальные для изготовления железобетонных изделий. Поддоны. Конструкции и размеры (с Изменением N 1)
- СанПиН 2.3.4.545-96 Производство хлеба, хлебобулочных и кондитерских изделий
- Строительное производство и проектирование (технические нормы, правила, стандарты)
- Техэксперт: Помощник Проектировщика
- Строительное производство и проектирование (технические нормы, правила, стандарты)
- СанПиН 2.3.4.545-96 Производство хлеба, хлебобулочных и кондитерских изделий
- СНиП 2.04.03-85 Канализация. Наружные сети и сооружения (с Изменением N 1)
- Указатель нормативных документов по строительству, действующих на территории Российской Федерации (по состоянию на 01.01.2011 г.)
- СНиП 2.04.03-85 Канализация. Наружные сети и сооружения (с Изменением N 1)
- ГОСТ 25878-85 Формы стальные для изготовления железобетонных изделий. Поддоны. Конструкции и размеры (с Изменением N 1)
- СанПиН 2.3.4.545-96 Производство хлеба, хлебобулочных и кондитерских изделий
- Строительное производство и проектирование (технические нормы, правила, стандарты)
- Авиатор
- Законодательство России
- Указатель нормативных документов по строительству, действующих на территории Российской Федерации (по состоянию на 01.01.2011 г.)
- Законодательство России
- Техэксперт: Эксплуатация зданий
- Законодательство России
- Указатель нормативных документов по строительству, действующих на территории Российской Федерации (по состоянию на 01.01.2011 г.)
- Законодательство России
- Техэксперт: Нефтегазовый комплекс
ГОСТ 5443-50
Группа В22
ГОСУДАРСТВЕННЫЙ ОБЩЕСОЮЗНЫЙ СТАНДАРТ
Сталь прокатная
УГОЛЬНИКИ ФЛАНЦЕВЫЕ
Сортамент
Дата введения 1951-01-01
ВНЕСЕН Министерством машиностроения и приборостроения
УТВЕРЖДЕН Всесоюзным Комитетом Стандартов 14/VII 1950 г.
ВЗАМЕН ОСТ 10011-39
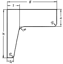
1. Размеры профилей устанавливаются следующие:
Скачать документ нельзя - можно заказать Бесплатно! 1 документ
Документ будет отправлен на указанный Вами e-mail в течение 3 рабочих дней*
Часы работы: с Пн по Пт с 8:30 до 17:30 по московскому времени.
или
Посмотреть возможности крупнейшей электронной библиотеки "Техэксперт" - более 8 000 000 документов!



