
Вы нашли документ, содержащийся в электронной базе документов - "ТЕХЭКСПЕРТ"!
Кран козловой электрический контейнерный грузоподъемностью 6,3 т КК-6,3
КРАН КОЗЛОВОЙ ЭЛЕКТРИЧЕСКИЙ КОНТЕЙНЕРНЫЙ
ГРУЗОПОДЪЕМНОСТЬЮ 6,3 т КК-6,3
Код ОКП 31 5518 0002 03
Кран предназначен для перегрузки контейнеров массой брутто до 6 т на открытых контейнерных и железнодорожных площадках.
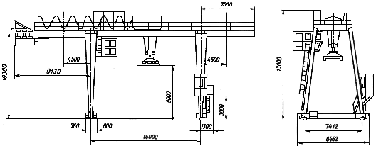
Металлическая конструкция крана (рис.1) - листовая, коробчатая. Пролетное строение состоит из двух главных балок, соединенных концевыми балками посредством фланцевых болтовых соединений. Пролетное строение опирается на коробчатые стойки, которые соединяются фланцевыми болтовыми стыками с рамами ходовых тележек крана. Две приводные и две холостые ходовые тележки - одноколесные.
Рис.1. Кран козловой электрический контейнерный грузоподъемностью 6,3 т пролетом 16 м КК-6,3
Скачать документ нельзя - можно заказать Бесплатно! 1 документ
Документ будет отправлен на указанный Вами e-mail в течение 3 рабочих дней*
Часы работы: с Пн по Пт с 8:30 до 17:30 по московскому времени.
или
Посмотреть возможности крупнейшей электронной библиотеки "Техэксперт" - более 8 000 000 документов!



