
Вы нашли документ, содержащийся в электронной базе документов - "ТЕХЭКСПЕРТ"!
Кран козловой электрический общего назначения с электрической талью грузоподъемностью 5 т ККТ-П-5
КРАН КОЗЛОВОЙ ЭЛЕКТРИЧЕСКИЙ ОБЩЕГО НАЗНАЧЕНИЯ С ЭЛЕКТРИЧЕСКОЙ ТАЛЬЮ
ГРУЗОПОДЪЕМНОСТЬЮ 5 т ККТ-П-5
Код ОКП 31 5512 1127 06
Кран общего назначения (ГОСТ 7352-88) предназначен для выполнения подъемно-транспортных работ на кирпичных заводах, складах штучных и пакетированных грузов и прирельсовых складских площадках.
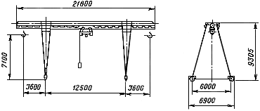
Металлическая конструкция крана (рис.1) с трубчато-балочным мостом. Мост несет приваренную тавровую ездовую балку с окнами в вертикальной стенке, по которой перемещается электрическая таль. Для обслуживания тали имеется откидная переходная площадка.
Рис.1. Кран козловой электрический общего назначения с электрической талью грузоподъемностью 5 т ККТ-П-5
Скачать документ нельзя - можно заказать Бесплатно! 1 документ
Документ будет отправлен на указанный Вами e-mail в течение 3 рабочих дней*
Часы работы: с Пн по Пт с 8:30 до 17:30 по московскому времени.
или
Посмотреть возможности крупнейшей электронной библиотеки "Техэксперт" - более 8 000 000 документов!



