
Вы нашли документ, содержащийся в электронной базе документов - "ТЕХЭКСПЕРТ"!
Тягодутьевые машины. Дымососы типа ДН и Д
ТЯГОДУТЬЕВЫЕ МАШИНЫ. ДЫМОСОСЫ ТИПА ДН И Д
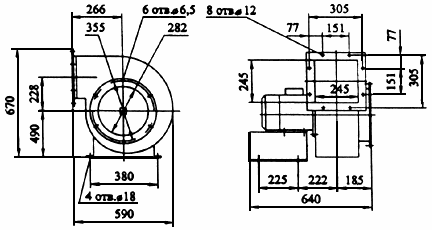
Габаритные и присоединительные размеры
Д-3,5
ДН-8-13
Марка изделия |
Размеры, мм |
Мас- | |||||||||||||||||||||
|
h |
Н |
|||||||||||||||||||||
Скачать документ нельзя - можно заказать Бесплатно! 1 документ
Документ будет отправлен на указанный Вами e-mail в течение 3 рабочих дней*
Часы работы: с Пн по Пт с 8:30 до 17:30 по московскому времени.
или
Посмотреть возможности крупнейшей электронной библиотеки "Техэксперт" - более 8 000 000 документов!
Подписка на полную версию «Указателя стандартов» через ФГУП «Стандартинформ» стоит 20 000 рублей.
При заказе демонстрации Вы получите доступ к его электронной версии совершенно бесплатно!



