
Вы нашли документ, содержащийся в электронной базе документов - "ТЕХЭКСПЕРТ"!
Кран башенный LIEBHERR 112ЕС-Н 8 LITRONIC
Данный раздел/документ содержится в продуктах:
КРАН БАШЕННЫЙ LIEBHERR 112ЕС-Н 8 (112ЕС-Н 8 LITRONIC)
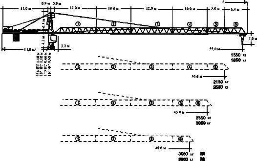
Кран предназначен для механизации строительства высотных зданий. Кран с неповоротной башней, верхним положением противовеса, нижним расположением балласта и балочной стрелой. Максимальная высота подъема груза 65 м, максимальный вылет - 55 м. Грузоподъемность при максимальном вылете 1,55 т (1,85 т), максимальная грузоподъемность - 8 т. Ходовая часть выполнена на стационарных тележках с опорным контуром 4,5; 4,6; 6 и 8 м.
Рис.1. Кран LIEBHERR 112EC-H8 (112EC-H8 Litronic)
Рис.2. Кран LIEBHERR 112EC-H8 (112EC-H8 Litronic)
Грузовысотные характеристики крана LIEBHERR 112ЕС-Н8 (112ЕС-Н8 Litronic)
Скачать документ нельзя - можно заказать Бесплатно! 1 документ
Документ будет отправлен на указанный Вами e-mail в течение 3 рабочих дней*
Часы работы: с Пн по Пт с 8:30 до 17:30 по московскому времени.
или
Посмотреть возможности крупнейшей электронной библиотеки "Техэксперт" - более 8 000 000 документов!



