
Вы нашли документ, содержащийся в электронной базе документов - "ТЕХЭКСПЕРТ"!
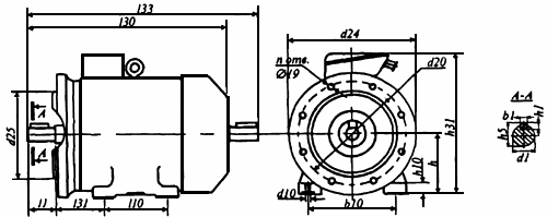
Двигатели 5А200, 5А225, 5АМ250
ДВИГАТЕЛИ 5А200, 5А225, 5АМ250.
ИСПОЛНЕНИЯ IM1081; IM1022; IM2081; IM2082; IM3011; IM3031
Тип двигателя |
Габаритные, установочные и присоединительные размеры, мм | |||||||||||||
|
I1 |
I10 |
I30 |
I31 |
I33 |
d1 |
d10 |
d20 |
d24 |
d25 |
||||
Скачать документ нельзя - можно заказать Бесплатно! 1 документ
Документ будет отправлен на указанный Вами e-mail в течение 3 рабочих дней*
Часы работы: с Пн по Пт с 8:30 до 17:30 по московскому времени.
или
Посмотреть возможности крупнейшей электронной библиотеки "Техэксперт" - более 8 000 000 документов!
Подписка на полную версию «Указателя стандартов» через ФГУП «Стандартинформ» стоит 20 000 рублей.
При заказе демонстрации Вы получите доступ к его электронной версии совершенно бесплатно!



