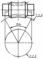
Угол теоретического обхвата глобоидного червяка
Список продуктов
Данный раздел/документ содержится в продуктах:
Данный раздел/документ содержится в продуктах:
- Техэксперт: Нормы, правила, стандарты и законодательство России
- Техэксперт: Нефтегазовый комплекс
- Техэксперт: Машиностроительный комплекс
УГОЛ ТЕОРЕТИЧЕСКОГО ОБХВАТА ГЛОБОИДНОГО ЧЕРВЯКА
Угол теоретического обхвата
Центральный угол образующей окружности делительного глобоида линейчатого глобоидного червяка, соответствующий дуге этой окружности, расположенной между касательными к профильной окружности, проведенными перпендикулярно к оси червяка
"ГОСТ 18498-89 Передачи червячные. Термины, определения и обозначения" от 26.07.1989 г.



