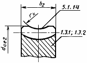
Выемка поверхности вершин зубьев колеса
Список продуктов
Данный раздел/документ содержится в продуктах:
Данный раздел/документ содержится в продуктах:
- Техэксперт: Нормы, правила, стандарты и законодательство России
- Техэксперт: Нефтегазовый комплекс
- Техэксперт: Машиностроительный комплекс
ВЫЕМКА ПОВЕРХНОСТИ ВЕРШИН ЗУБЬЕВ КОЛЕСА
Выемка
Вогнутая часть поверхности вершин зубьев червячного колеса, образованная вращением вокруг его оси дуги окружности, лежащей в средней плоскости парного червяка
Радиус выемки обозначен как
"ГОСТ 18498-89 Передачи червячные. Термины, определения и обозначения" от 26.07.1989 г.



