0 продуктов

Авторизация

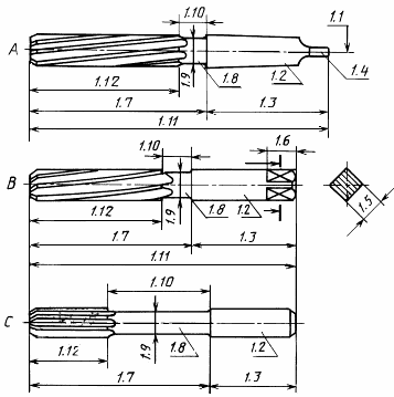
Общая длина развертки

Список продуктов
Данный раздел/документ содержится в продуктах:


ОБЩАЯ ДЛИНА РАЗВЕРТКИ

Расстояние от переднего торца до конца хвостовика развертки, исключая наружные центры, если они имеются (см. черт.1А, 1В и 1С).

de 

en overall length

fr longueur totale




Черт.1

"ГОСТ 29240-91 (ИСО 5420-83) Развертки. Термины, определения и типы" от 29.12.1991 г.

Категории продуктов

 

 

 

Знакомьтесь, "Техэксперт"

 Техэксперт для iPad

 Для Android

АКЦИЯ!

Бесплатный доступ