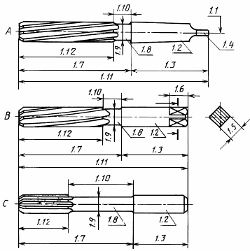
Длина квадрата развертки
Список продуктов
Данный раздел/документ содержится в продуктах:
Данный раздел/документ содержится в продуктах:
- Техэксперт: Нормы, правила, стандарты и законодательство России
- Техэксперт: Нефтегазовый комплекс
- Техэксперт: Машиностроительный комплекс
ДЛИНА КВАДРАТА РАЗВЕРТКИ
Расстояние, измеренное вдоль оси квадрата на конце цилиндрического хвостовика (см. черт.1В).
de
en length of square
fr longueur du
Черт.1
"ГОСТ 29240-91 (ИСО 5420-83) Развертки. Термины, определения и типы" от 29.12.1991 г.



