0 продуктов

Авторизация

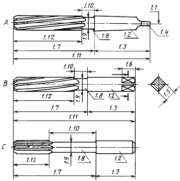
Конический хвостовик развертки

Список продуктов
Данный раздел/документ содержится в продуктах:


КОНИЧЕСКИЙ ХВОСТОВИК РАЗВЕРТКИ

(см. черт.1А)

de Kegelschaft

en taper shank

fr queue conique

 

Черт.1

"ГОСТ 29240-91 (ИСО 5420-83) Развертки. Термины, определения и типы" от 29.12.1991 г.

Категории продуктов

 

 

 

Знакомьтесь, "Техэксперт"

 Техэксперт для iPad

 Для Android

АКЦИЯ!

Бесплатный доступ