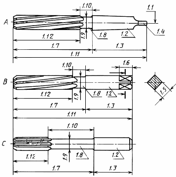
Ось развертки
Список продуктов
Данный раздел/документ содержится в продуктах:
Данный раздел/документ содержится в продуктах:
- Техэксперт: Нормы, правила, стандарты и законодательство России
- Техэксперт: Нефтегазовый комплекс
- Техэксперт: Машиностроительный комплекс
ОСЬ РАЗВЕРТКИ
Продольная центровая линия развертки (черт.1А, 1В и 1С)
de Achce
en axis
fr axe
Черт.1
"ГОСТ 29240-91 (ИСО 5420-83) Развертки. Термины, определения и типы" от 29.12.1991 г.



