Установочная база
Данный раздел/документ содержится в продуктах:
- Техэксперт: Нормы, правила, стандарты и законодательство России
- Техэксперт: Нефтегазовый комплекс
- Техэксперт: Машиностроительный комплекс
- Техэксперт: Электроэнергетика
- Техэксперт: Теплоэнергетика
УСТАНОВОЧНАЯ БАЗА
D. Auflagebasis
Е. Setting base
База, используемая для наложения на заготовку или изделие связей, лишающих их трех степеней свободы - перемещения вдоль одной координатной оси и поворотов вокруг двух других осей
Основные положения теории базирования приведены в рекомендуемом приложении 1 ГОСТ 21495-76; распространенные схемы базирования - в справочном приложении 2 ГОСТ 21495-76; примеры разработки схем базирования - в справочном приложении 3 ГОСТ 21495-76.
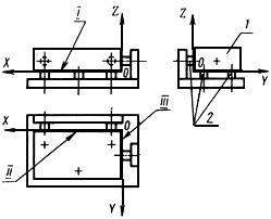
I - установочная база заготовки, лишающая
ее перемещения вдоль оси и поворотов вокруг осей
и
;
II - направляющая база заготовки, лишающая ее перемещения
вдоль оси и поворота вокруг оси
; III - опорная база заготовки, лишающая ее перемещения вдоль оси
; 1 - заготовка; 2 - опоры приспособления.



