Отрицательная позиционная жесткость
Список продуктов
Данный раздел/документ содержится в продуктах:
Данный раздел/документ содержится в продуктах:
- Техэксперт: Нормы, правила, стандарты и законодательство России
- Техэксперт: Нефтегазовый комплекс
- Техэксперт: Машиностроительный комплекс
ОТРИЦАТЕЛЬНАЯ ПОЗИЦИОННАЯ ЖЕСТКОСТЬ
En. negative position stiffness
Fr. raideur de position
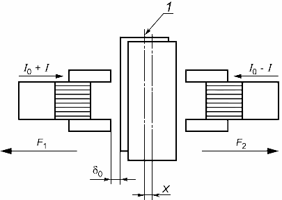
Жесткость магнитного подвеса в номинальном положении ротора при отсутствии внешней нагрузки в линейном режиме работы АМП, обусловленном током смещения (см. рисунки 1 и 2).

Примечание - Связь между силами притяжения, токами электромагнита и перемещением вала описывается формулами:



