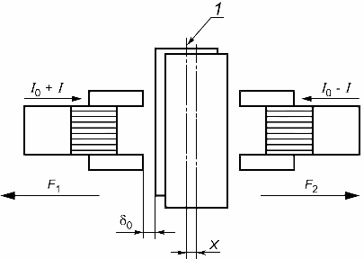
Радиальное перемещение вала
Список продуктов
Данный раздел/документ содержится в продуктах:
Данный раздел/документ содержится в продуктах:
- Техэксперт: Нормы, правила, стандарты и законодательство России
- Техэксперт: Нефтегазовый комплекс
- Техэксперт: Машиностроительный комплекс
РАДИАЛЬНОЕ ПЕРЕМЕЩЕНИЕ ВАЛА
En. radial shaft displacement
Fr. d'arbre radial
Перемещение оси ротора в радиальном направлении относительно его среднего положения, определяющее изменение положения ротора во времени (см. рисунок)

Примечание - Связь между силами притяжения, токами электромагнита и перемещением вала описывается формулами:
;



