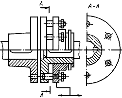
Сцепная пальцевая муфта
Список продуктов
Данный раздел/документ содержится в продуктах:
Данный раздел/документ содержится в продуктах:
- Техэксперт: Нормы, правила, стандарты и законодательство России
- Техэксперт: Нефтегазовый комплекс
- Техэксперт: Машиностроительный комплекс
СЦЕПНАЯ ПАЛЬЦЕВАЯ МУФТА
Синхронная муфта с механической связью, у которой управление соединения и разъединения валов осуществляется путем ввода (или вывода) металлических цилиндрических пальцев, установленных подвижно на одной из полумуфт, в отверстия другой полумуфты



