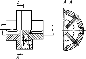
Нелинейная упругая муфта с радиальными пакетами пластин
Список продуктов
Данный раздел/документ содержится в продуктах:
Данный раздел/документ содержится в продуктах:
- Техэксперт: Нормы, правила, стандарты и законодательство России
- Техэксперт: Нефтегазовый комплекс
- Техэксперт: Машиностроительный комплекс
НЕЛИНЕЙНАЯ УПРУГАЯ МУФТА С РАДИАЛЬНЫМИ ПАКЕТАМИ ПЛАСТИН
Нелинейная упругая муфта, которая обладает упругими и компенсирующими свойствами за счет упругой деформации изгиба пакетов металлических пластин, установленных радиально в непрямобочных пазах полумуфт



