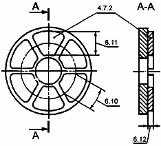
Толщина сегмента
Список продуктов
Данный раздел/документ содержится в продуктах:
Данный раздел/документ содержится в продуктах:
- Техэксперт: Нормы, правила, стандарты и законодательство России
- Техэксперт: Нефтегазовый комплекс
- Техэксперт: Машиностроительный комплекс
- Техэксперт: Электроэнергетика
- Техэксперт: Теплоэнергетика
- Стройэксперт. "Вариант Лидер"
- Техэксперт: Эксплуатация зданий
- Стройтехнолог
ТОЛЩИНА СЕГМЕНТА
En pad thickness
fr epaisseur d'un segment
Линейный размер сегмента, измеренный в осевом направлении (осевой сегмент - рисунок 5) или в радиальном направлении (радиальный сегмент)



