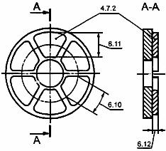
Тангенциальный размер сегмента
Список продуктов
Данный раздел/документ содержится в продуктах:
Данный раздел/документ содержится в продуктах:
- Техэксперт: Нормы, правила, стандарты и законодательство России
- Техэксперт: Нефтегазовый комплекс
- Техэксперт: Машиностроительный комплекс
- Техэксперт: Электроэнергетика
- Техэксперт: Теплоэнергетика
- Стройэксперт. "Вариант Лидер"
- Техэксперт: Эксплуатация зданий
- Стройтехнолог
ТАНГЕНЦИАЛЬНЫЙ РАЗМЕР СЕГМЕНТА
En pad length
fr longueur d'un segment
Линейный размер сегмента в направлении скольжения по дуге среднего диаметра (рисунок 5)



