Сегмент
Список продуктов
Данный раздел/документ содержится в продуктах:
Данный раздел/документ содержится в продуктах:
- Техэксперт: Охрана труда
- Техэксперт: Нормы, правила, стандарты и законодательство России
- Техэксперт: Нефтегазовый комплекс
- Техэксперт: Машиностроительный комплекс
- Техэксперт: Электроэнергетика
- Техэксперт: Теплоэнергетика
- Стройэксперт. "Вариант Лидер"
- Техэксперт: Эксплуатация зданий
- Стройтехнолог
СЕГМЕНТ
En pad
fr segment ou patin
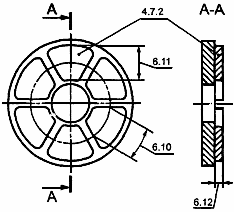
Составная часть сегментного подшипника скольжения, воспринимающая нагрузку (рисунки 4, 5)

СЕГМЕНТ
(segment)
Последовательность данных, закодированная согласно правилам одной интерпретации в расширенном канале (ECI) или режима кодирования.



