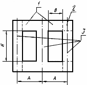
Угол магнитной системы трансформатора
Список продуктов
Данный раздел/документ содержится в продуктах:
Данный раздел/документ содержится в продуктах:
- Техэксперт: Нормы, правила, стандарты и законодательство России
- Техэксперт: Нефтегазовый комплекс
- Техэксперт: Машиностроительный комплекс
- Техэксперт: Электроэнергетика
- Техэксперт: Теплоэнергетика
- Стройэксперт. "Вариант Лидер"
- Техэксперт: Эксплуатация зданий
- Стройтехнолог
УГОЛ МАГНИТНОЙ СИСТЕМЫ ТРАНСФОРМАТОРА
Часть магнитной системы, ограниченная объемом, образованным пересечением боковых поверхностей или их продолжений одного из ярм и одного из стержней.
Стержневая магнитная система трансформатора
А - межосевое расстояние; В - ширина окна;
Н - высота окна; 1 - ярмо; 2 - угол; 3 - стержень
"ГОСТ 16110-82 Трансформаторы силовые. Термины и определения" от 04.03.1982 г.



