
Вы нашли документ, содержащийся в электронной базе документов - "ТЕХЭКСПЕРТ"!
Проект дома "Арфа"
"Арфа"
Здание одноэтажное с мансардой, без подвала. Фундаменты - мелкозаглубленная монолитная ж/бетонная плита. Основные несущие конструкции - термоструктурные стеновые панели. Внутренние стены и перегородки - из термоструктурных пенополистирольных панелей. Перекрытие монолитное железобетонное толщ. 150 мм. Кровля многоскатная с покрытием из мягкой кровли.
Общая площадь 287,28 м, стоимость комплекта панелей 694332,69 руб.
Перспектива
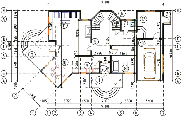
План 1-го этажа
План мансарды
Скачать документ нельзя - можно заказать Бесплатно! 1 документ
Документ будет отправлен на указанный Вами e-mail в течение 3 рабочих дней*
Часы работы: с Пн по Пт с 8:30 до 17:30 по московскому времени.
или
Посмотреть возможности крупнейшей электронной библиотеки "Техэксперт" - более 8 000 000 документов!



