Критическая область бурильной трубы
Данный раздел/документ содержится в продуктах:
- Техэксперт: Нормы, правила, стандарты и законодательство России
- Техэксперт: Нефтегазовый комплекс
- Техэксперт: Машиностроительный комплекс
- Техэксперт: Электроэнергетика
- Техэксперт: Теплоэнергетика
КРИТИЧЕСКАЯ ОБЛАСТЬ БУРИЛЬНОЙ ТРУБЫ
(critical area)
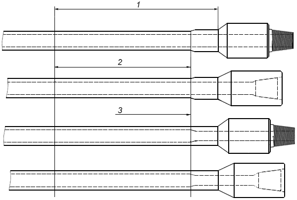
Зона от основания упорного заплечика бурильного замка до поверхности, удаленной на 660 мм (26 дюймов), или у окончания вмятин от клиньев, в зависимости от того, что находится на большем расстоянии (рисунок 4).
Примечание - Применительно к рабочей зоне колонны бурильных труб критическая область располагается от конца трубы до поверхности на расстоянии 508 мм (20 дюймов) или до места расположения вмятин, образованных клиньями, в зависимости от того, что находится ближе.
1 - отрезок критической зоны, равный 660,4 мм (26 дюймов); 2 - от основания конического упорного заплечика бурильного замка или до основания вмятины от клиньев, какая из них больше; 3 - изнашивание высаженного конца трубы



