Зажимаемый роторными клиньями участок трубы
Данный раздел/документ содержится в продуктах:
- Техэксперт: Нормы, правила, стандарты и законодательство России
- Техэксперт: Нефтегазовый комплекс
- Техэксперт: Машиностроительный комплекс
- Техэксперт: Электроэнергетика
- Техэксперт: Теплоэнергетика
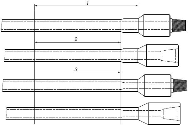
ЗАЖИМАЕМЫЙ РОТОРНЫМИ КЛИНЬЯМИ УЧАСТОК ТРУБЫ
(slip area)
Часть тела трубы, на которой видно, что при подъеме и спуске бурильного инструмента клиновой захват неоднократно зажимается в одном и том же месте (рисунок 4).
Примечание - В верхнем конце зажимаемый роторными клиньями участок трубы, как правило, находится приблизительно на расстоянии 560 мм (22 дюйма) от заплечика муфты соединения труб под трубным элеватором и с этой отметки продолжается на расстояние примерно в 660 мм (26 дюймов) в сторону безмуфтового резьбового конца. Его местонахождение может меняться в зависимости от применяемого оборудования для спуско-подъемных операций и типа буровой установки. Он не включает временный зажим клиновой плашки в других участках в результате ловильных работ, тестирования в бурильной колонне и аналогичных операций.



