Время срабатывания (для элементарных реле)
Данный раздел/документ содержится в продуктах:
- Техэксперт: Нормы, правила, стандарты и законодательство России
- Техэксперт: Нефтегазовый комплекс
- Техэксперт: Машиностроительный комплекс
- Техэксперт: Электроэнергетика
- Техэксперт: Теплоэнергетика
- Стройэксперт. "Вариант Лидер"
- Техэксперт: Эксплуатация зданий
- Стройтехнолог
ВРЕМЯ СРАБАТЫВАНИЯ (ДЛЯ ЭЛЕМЕНТАРНЫХ РЕЛЕ)
(operate time (for elementary relays))
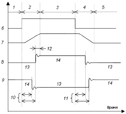
Временной интервал от момента подачи заданного входного напряжения на реле, находящееся в несработанном состоянии, до изменения состояния последней выходной цепи, исключая время дребезга (см. рисунок 1).
1 - начальное состояние одностабильного электрического реле; 2 - реле срабатывает; 3 - конечное состояние одностабильного электрического реле; 4 - возврат реле; 5 - начальное состояние одностабильного электрического реле; 6 - входное напряжение; 7 - перемещение движущихся частей; 8 - падение напряжения на замкнутом контакте (вначале отлично от нуля); 9 - падение напряжения на разомкнутом контакте (вначале равно нулю); 10 - время срабатывания; 11 - время возврата; 12 - время дребезга; 13 - разомкнуто; 14 - замкнуто
Рисунок 1 - Пояснительная схема к различным терминам, относящимся к одностабильному реле



