0 продуктов

Авторизация

Контактный элемент (для элементарных реле)

Список продуктов
Данный раздел/документ содержится в продуктах:


КОНТАКТНЫЙ ЭЛЕМЕНТ (ДЛЯ ЭЛЕМЕНТАРНЫХ РЕЛЕ)

(contact member (for elementary relays))

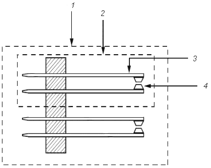
Проводящая часть контакта, предназначенная для взаимодействия с другой частью, чтобы замыкать или размыкать выходную цепь (см. рисунок 2).


1 - контактная группа; 2 - выходная цепь, цепь контакта, контакт; 3 - контактный элемент; 4 - контакт-деталь

Рисунок 2 - Пример, поясняющий термины от 444-04-01 до 444-04-06

"ГОСТ IEC 60050-444-2014 Международный электротехнический словарь. Часть 444. Элементарные реле" от 24.11.2014 г.

Категории продуктов

 

 

 

Знакомьтесь, "Техэксперт"

 Техэксперт для iPad

 Для Android

АКЦИЯ!

Бесплатный доступ