Контактная группа для реле
Список продуктов
Данный раздел/документ содержится в продуктах:
Данный раздел/документ содержится в продуктах:
- Техэксперт: Нормы, правила, стандарты и законодательство России
- Техэксперт: Нефтегазовый комплекс
- Техэксперт: Машиностроительный комплекс
- Техэксперт: Электроэнергетика
- Техэксперт: Теплоэнергетика
- Стройэксперт. "Вариант Лидер"
- Техэксперт: Эксплуатация зданий
- Стройтехнолог
КОНТАКТНАЯ ГРУППА ДЛЯ РЕЛЕ
(contact set)
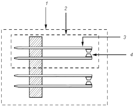
Сборка контактов реле, разделенных изоляцией (см. рисунок 2).
1 - контактная группа; 2 - выходная цепь, цепь контакта, контакт; 3 - контактный элемент; 4 - контакт-деталь
Рисунок 2 - Пример, поясняющий термины от 444-04-01 до 444-04-06



