0 продуктов

Авторизация

Пресс с рабочим ходом вверх

Список продуктов
Данный раздел/документ содержится в продуктах:


ПРЕСС С РАБОЧИМ ХОДОМ ВВЕРХ

Вертикальный пресс, в котором плита пресса перемещается вверх во время завершающего хода (обратно прессу с рабочим ходом вниз, см. рисунок D.1, приложение D).



     
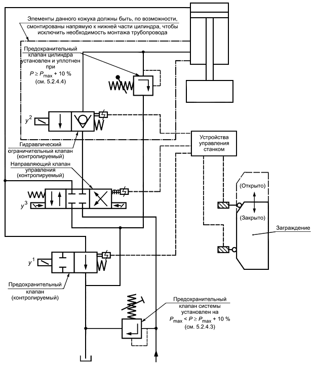
Рисунок D.1 - Пример резервируемой и неконтролируемой гидравлической схемы управления для пресса с входом вниз (резервирование и контроль см. в таблицах 2-4) (резервирование и контроль в электрической схеме не показаны)

"ГОСТ 31733-2012 (EN 693:2001) Прессы гидравлические. Требования безопасности" от 22.11.2012 г

Категории продуктов

 

 

 

Знакомьтесь, "Техэксперт"

 Техэксперт для iPad

 Для Android

АКЦИЯ!

Бесплатный доступ