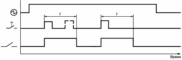
Реле интервала с управляющим сигналом (реле однократного действия)
Список продуктов
Данный раздел/документ содержится в продуктах:
Данный раздел/документ содержится в продуктах:
- Техэксперт: Нормы, правила, стандарты и законодательство России
- Техэксперт: Нефтегазовый комплекс
- Техэксперт: Машиностроительный комплекс
- Техэксперт: Электроэнергетика
- Техэксперт: Теплоэнергетика
- Стройэксперт. "Вариант Лидер"
- Техэксперт: Эксплуатация зданий
- Стройтехнолог
РЕЛЕ ИНТЕРВАЛА С УПРАВЛЯЮЩИМ СИГНАЛОМ (РЕЛЕ ОДНОКРАТНОГО ДЕЙСТВИЯ)
[interval relay with control signal (single shot relay)]
Реле времени, в котором выход немедленно переключается в рабочее состояние и отсчет выдержки времени начинается при подаче питания и управляющего сигнала; выход переключается в начальное состояние после того, как установка по времени истекла (см. рисунки 2 и 13).
Примечание - Повторение управляющего сигнала в течение выдержки времени не запускает выдержку времени заново.
Рисунок 2 - Определение символов



