Реле с соединением звезда-треугольник
Список продуктов
Данный раздел/документ содержится в продуктах:
Данный раздел/документ содержится в продуктах:
- Техэксперт: Нормы, правила, стандарты и законодательство России
- Техэксперт: Нефтегазовый комплекс
- Техэксперт: Машиностроительный комплекс
- Техэксперт: Электроэнергетика
- Техэксперт: Теплоэнергетика
- Стройэксперт. "Вариант Лидер"
- Техэксперт: Эксплуатация зданий
- Стройтехнолог
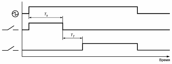
РЕЛЕ С СОЕДИНЕНИЕМ ЗВЕЗДА-ТРЕУГОЛЬНИК
(star-delta relay)
Реле времени, включающее два выхода с выдержкой времени, переключающихся друг за другом, предназначенное для пуска двигателей в соединении звездой и последующего перехода на подключение треугольником (см. рисунки 2 и 8)
Примечание - Соединения звездой и треугольником определены в IEC 60050-141:2010, 141-02-06 и IEC 60050-141:2010, 141-02-09 соответственно.
Рисунок 2 - Определение символов



