Проблесковое реле (реле с повтором цикла)
Список продуктов
Данный раздел/документ содержится в продуктах:
Данный раздел/документ содержится в продуктах:
- Техэксперт: Нормы, правила, стандарты и законодательство России
- Техэксперт: Нефтегазовый комплекс
- Техэксперт: Машиностроительный комплекс
- Техэксперт: Электроэнергетика
- Техэксперт: Теплоэнергетика
- Стройэксперт. "Вариант Лидер"
- Техэксперт: Эксплуатация зданий
- Стройтехнолог
ПРОБЛЕСКОВОЕ РЕЛЕ (РЕЛЕ С ПОВТОРОМ ЦИКЛА)
(flasher relay)
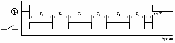
Реле времени, в котором выход периодически включается и выключается, пока подается питание или управляющий сигнал (см. рисунки 2 и 7)
Примечание 1 - В зависимости от типа реле выход включается в состоянии "импульс включен" или в "импульс выключен".
Примечание 2 - Проблесковое реле может также включаться управляющим сигналом.
Рисунок 2 - Определение символов



