Реле с задержкой на включение и выключение с управляющим сигналом
Список продуктов
Данный раздел/документ содержится в продуктах:
Данный раздел/документ содержится в продуктах:
- Техэксперт: Нормы, правила, стандарты и законодательство России
- Техэксперт: Нефтегазовый комплекс
- Техэксперт: Машиностроительный комплекс
- Техэксперт: Электроэнергетика
- Техэксперт: Теплоэнергетика
- Стройэксперт. "Вариант Лидер"
- Техэксперт: Эксплуатация зданий
- Стройтехнолог
РЕЛЕ С ЗАДЕРЖКОЙ НА ВКЛЮЧЕНИЕ И ВЫКЛЮЧЕНИЕ С УПРАВЛЯЮЩИМ СИГНАЛОМ
(on- and off-delay relay with control signal)
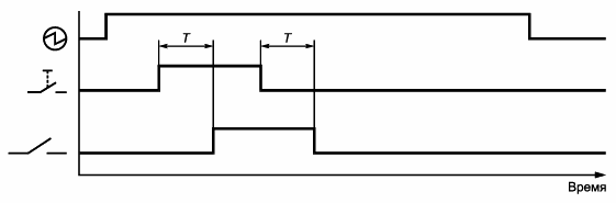
Реле времени, в котором выход переключается в рабочее состояние при подаче питания и управляющего сигнала и после того, как установка по времени истекла; выход переключается в начальное состояние, когда управляющий сигнал отключается, и после того, как время установки истекло (см. рисунки 2 и 6).
Примечание - Изготовителю следует указать воздействие последующего функционирования и повторного включения управляющего сигнала.
Рисунок 2 - Определение символов



