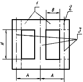
Стержневая магнитная система
Список продуктов
Данный раздел/документ содержится в продуктах:
Данный раздел/документ содержится в продуктах:
- Техэксперт: Нормы, правила, стандарты и законодательство России
- Техэксперт: Нефтегазовый комплекс
- Техэксперт: Машиностроительный комплекс
- Техэксперт: Электроэнергетика
- Техэксперт: Теплоэнергетика
- Стройэксперт. "Вариант Лидер"
- Техэксперт: Эксплуатация зданий
- Стройтехнолог
СТЕРЖНЕВАЯ МАГНИТНАЯ СИСТЕМА
Магнитная система, в которой ярма соединяют разные стержни и нет боковых ярм (черт.1)
Стержневая магнитная система трансформатора (к терминам: 3.14, 3.2, 3.4, 3.6, 3.7, 7.1.13, 7.1.14, 7.1.17) |
|
А - межосевое расстояние; В - ширина окна; |
Черт.1 |
"ГОСТ 16110-82 Трансформаторы силовые. Термины и определения" от 04.03.1982 г.




