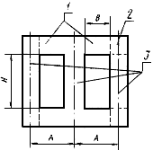
Боковое ярмо
Список продуктов
Данный раздел/документ содержится в продуктах:
Данный раздел/документ содержится в продуктах:
- Техэксперт: Нормы, правила, стандарты и законодательство России
- Техэксперт: Нефтегазовый комплекс
- Техэксперт: Машиностроительный комплекс
- Техэксперт: Электроэнергетика
- Техэксперт: Теплоэнергетика
- Стройэксперт. "Вариант Лидер"
- Техэксперт: Эксплуатация зданий
- Стройтехнолог
БОКОВОЕ ЯРМО
Ярмо, соединяющее два конца одного и того же стержня (черт.1-3).
Примечание. Можно различать боковую часть бокового ярма, ось которой параллельна продольной оси стержня, и его торцевую часть, ось которой перпендикулярна этой оси
Стержневая магнитная система трансформатора (к терминам: 3.14, 3.2, 3.4, 3.6, 3.7, 7.1.13, 7.1.14, 7.1.17) |
Бронестержневая магнитная система трансформатора (к терминам: 3.16, 3.2, 3.6, 3.7, 3.8) |
|
|
А - межосевое расстояние; В - ширина окна; |




