0 продуктов

Авторизация

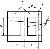
Межосевое расстояние стержней

Список продуктов
Данный раздел/документ содержится в продуктах:


МЕЖОСЕВОЕ РАССТОЯНИЕ СТЕРЖНЕЙ

Расстояние между продольными осями двух соседних стержней магнитной системы (черт.1)

Стержневая магнитная система трансформатора (к терминам: 3.14, 3.2, 3.4, 3.6, 3.7, 7.1.13, 7.1.14, 7.1.17)


 

А - межосевое расстояние; В - ширина окна;
Н - высота окна; 1 - ярмо; 2 - угол; 3 - стержень

Черт.1

 

"ГОСТ 16110-82 Трансформаторы силовые. Термины и определения" от 04.03.1982 г.

Категории продуктов

 

 

 

Знакомьтесь, "Техэксперт"

 Техэксперт для iPad

 Для Android

АКЦИЯ!

Бесплатный доступ