Наименьший зазор
Список продуктов
Данный раздел/документ содержится в продуктах:
Данный раздел/документ содержится в продуктах:
- Техэксперт: Нормы, правила, стандарты и законодательство России
- Техэксперт: Нефтегазовый комплекс
- Техэксперт: Машиностроительный комплекс
- Техэксперт: Электроэнергетика
- Техэксперт: Теплоэнергетика
- Стройэксперт. "Вариант Лидер"
- Техэксперт: Эксплуатация зданий
- Стройтехнолог
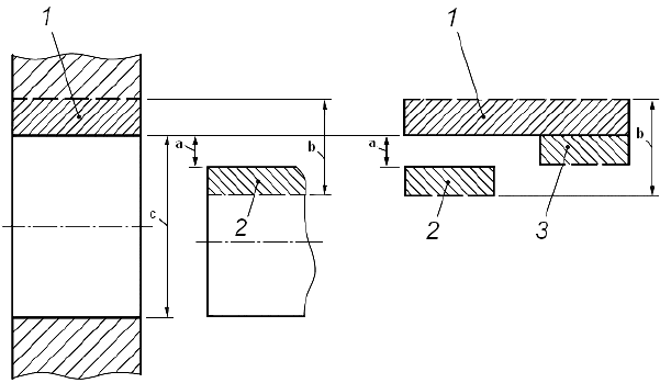
НАИМЕНЬШИЙ ЗАЗОР
(minimum clearance)
Разность между нижним предельным размером отверстия и верхним предельным размером вала.
См. рисунок 2.
а) Подробное представление b) Схематическое представление
1 - интервал допуска отверстия; 2 - интервал допуска вала, случай 1: верхний предельный размер вала ниже, чем нижний предельный размер отверстия, наименьший зазор больше нуля; 3 - интервал допуска вала, случай 2: верхний предельный размер вала совпадает с нижним предельным размером отверстия, наименьший зазор равен нулю; а - наименьший зазор; b - наибольший зазор; с - номинальный размер, равный нижнему предельному размеру отверстия



