0 продуктов

Авторизация

Переходная посадка

Список продуктов
Данный раздел/документ содержится в продуктах:


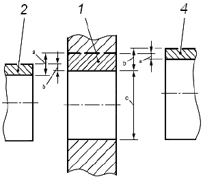
ПЕРЕХОДНАЯ ПОСАДКА

(transition fit)

Посадка, при которой в соединении отверстия и вала возможно получение как зазора, так и натяга.

См. рисунок 4.

Примечание - В переходной посадке интервал допуска отверстия и интервал допуска вала перекрываются частично или полностью, поэтому наличие зазора или натяга в соединении зависит от действительных размеров отверстия и вала.

     

а) Подробное представление     
    


b)
Схематическое представление

Категории продуктов

 

 

 

Знакомьтесь, "Техэксперт"

 Техэксперт для iPad

 Для Android

АКЦИЯ!

Бесплатный доступ