0 продуктов

Авторизация

Посадка с зазором

Список продуктов
Данный раздел/документ содержится в продуктах:


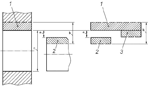
ПОСАДКА С ЗАЗОРОМ

(clearance fit)

Посадка, при которой в соединении отверстия и вала всегда образуется зазор, т.е. нижний предельный размер отверстия больше или равен верхнему предельному размеру вала.

См. рисунок 2.     

     

а) Подробное представление                                                             b) Схематическое представление

          

1 - интервал допуска отверстия; 2 - интервал допуска вала, случай 1: верхний предельный размер вала ниже, чем нижний предельный размер отверстия, наименьший зазор больше нуля; 3 - интервал допуска вала, случай 2: верхний предельный размер вала совпадает с нижним предельным размером отверстия, наименьший зазор равен нулю; а - наименьший зазор; b - наибольший зазор; с - номинальный размер, равный нижнему предельному размеру отверстия

Категории продуктов

 

 

 

Знакомьтесь, "Техэксперт"

 Техэксперт для iPad

 Для Android

АКЦИЯ!

Бесплатный доступ