Электрическое изделие класса I
Данный раздел/документ содержится в продуктах:
- Техэксперт: Охрана труда
- Техэксперт: Нормы, правила, стандарты и законодательство России
- Техэксперт: Нефтегазовый комплекс
- Техэксперт: Машиностроительный комплекс
ЭЛЕКТРИЧЕСКОЕ ИЗДЕЛИЕ КЛАСС I
(CLASS I)
Электрическое изделие, в котором защита от поражения электрическим током обеспечивается не только ОСНОВНОЙ ИЗОЛЯЦИЕЙ, но и дополнительными мерами безопасности с использованием средств, обеспечивающих соединение металлических ДОСТУПНЫХ ЧАСТЕЙ или внутренних металлических частей с ЗАЩИТНЫМ ЗАЗЕМЛЕНИЕМ.
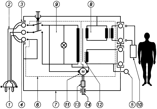
Примечание - См. рисунок 3.

1 - СЕТЕВАЯ ВИЛКА с контактом защитного заземления; 2 - СЪЕМНЫЙ ШНУР ПИТАНИЯ; 3 - ПРИБОРНЫЙ СОЕДИНИТЕЛЬ; 4 - Контакт и штырек защитного заземления; 5 - ЗАЖИМ РАБОЧЕГО ЗАЗЕМЛЕНИЯ; 6 - ОСНОВНАЯ ИЗОЛЯЦИЯ; 7 - КОРПУС; 8 - ВТОРИЧНАЯ ЦЕПЬ; 9 - СЕТЕВАЯ ЧАСТЬ; 10 - РАБОЧАЯ ЧАСТЬ; 11 - Двигатель; 12 - Экран с ЗАЩИТНЫМ ЗАЗЕМЛЕНИЕМ; 13 - ДОПОЛНИТЕЛЬНАЯ ИЗОЛЯЦИЯ; 14 - Вал двигателя, который является ДОСТУПНОЙ ЧАСТЬЮ



