0 продуктов

Авторизация

Модульная колодка

Список продуктов
Данный раздел/документ содержится в продуктах:


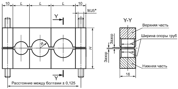
МОДУЛЬНАЯ КОЛОДКА

(modular clamp block)

Колодка для трубопроводов, состоящая из съемных деталей, со вставками или без вставок (см. рисунок 2).



Рисунок 2 - Модульная колодка



_________________

* См. ИСО 5855

"ГОСТ Р ИСО 7661-2010 Колодки многоручьевые для крепления трубопроводов. Технические требования и методы испытаний" от 30.11.2010 г.

Категории продуктов

 

 

 

Знакомьтесь, "Техэксперт"

 Техэксперт для iPad

 Для Android

АКЦИЯ!

Бесплатный доступ