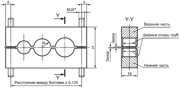
Моноблочная колодка
Список продуктов
Данный раздел/документ содержится в продуктах:
Данный раздел/документ содержится в продуктах:
- Техэксперт: Нормы, правила, стандарты и законодательство России
- Техэксперт: Нефтегазовый комплекс
- Техэксперт: Машиностроительный комплекс
МОНОБЛОЧНАЯ КОЛОДКА
(monobloc clamp block)
Колодка для трубопроводов, состоящая из двух моноблочных деталей (см. рисунок 1).

Рисунок 1 - Моноблочная колодка
_________________
* См. ИСО 5855



