0 продуктов

Авторизация

Проходной калибр соединительного гнезда

Список продуктов
Данный раздел/документ содержится в продуктах:


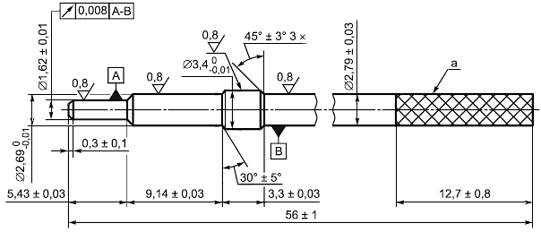
ПРОХОДНОЙ КАЛИБР СОЕДИНИТЕЛЬНОГО ГНЕЗДА

(connector cavity GO gauge): Устройство для оценки возможности соединительного гнезда принимать соединительный вывод максимального размера.

"ГОСТ Р ИСО 11318-2010 Узлы соединительные DF-1 для имплантируемых дефибрилляторов. Технические требования и методы испытаний" от 12.11.2010 г.


ПРОХОДНОЙ КАЛИБР СОЕДИНИТЕЛЬНОГО ГНЕЗДА

(connector cavity GO gauge)

Устройство для оценки возможности соединительного гнезда принимать соединительный вывод максимального размера. См. рисунок 5.

Размеры в миллиметрах

     

Категории продуктов

 

 

 

Знакомьтесь, "Техэксперт"

 Техэксперт для iPad

 Для Android

АКЦИЯ!

Бесплатный доступ