Суммарное время задержки
Список продуктов
Данный раздел/документ содержится в продуктах:
Данный раздел/документ содержится в продуктах:
- Техэксперт: Нормы, правила, стандарты и законодательство России
- Техэксперт: Нефтегазовый комплекс
- Техэксперт: Машиностроительный комплекс
СУММАРНОЕ ВРЕМЯ ЗАДЕРЖКИ
Суммарная задержка при распространении сигнала от точки А к точке В и от точки В к точке А в соответствии со схемой, приведенной на рисунке 5.1, включая ретрансляционные станции, если они используются.
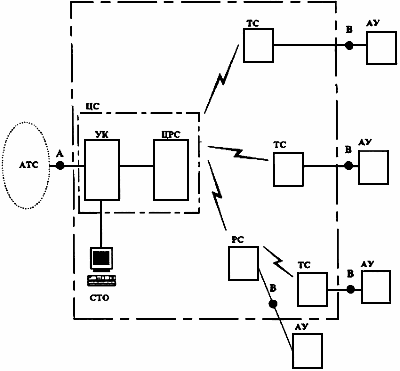
СУММАРНОЕ ВРЕМЯ ЗАДЕРЖКИ
Суммарная задержка при распространении сигнала от точки А к точке В и от точки В к точке А в соответствии со схемой, приведенной на рисунке 5.1, включая ретрансляционные станции, если они используются.



