Разрядная рампа
Данный раздел/документ содержится в продуктах:
- Техэксперт: Охрана труда
- Техэксперт: Промышленная безопасность
- Техэксперт: Нормы, правила, стандарты и законодательство России
- Техэксперт: Нефтегазовый комплекс
- Техэксперт: Машиностроительный комплекс
- Техэксперт: Электроэнергетика
- Техэксперт: Теплоэнергетика
- Стройэксперт. "Вариант Лидер"
- Техэксперт: Эксплуатация зданий
- Стройтехнолог
РАЗРЯДНАЯ РАМПА
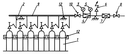
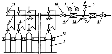
Оборудование, предназначенное для одновременного отбора ацетилена из двух или более отдельных или соединенных в группу баллонов (см. чертеж).
а) Рампа с 3 и менее баллонами
б) Рампа с 6 и менее баллонами
в) Рампа с более 6 баллонами
г) Рампа с баллонами, соединенными в группу
(далее аналогично б или в)
1 - баллон; 2 - гибкий соединительный трубопровод или гибкий шланг (может быть присоединен
к собирательному трубопроводу); 3 - манометр узла, находящегося под высоким давлением, с пределом
измерения 4 МПа (40 кгс/см); 4 - редуктор давления; 5 - манометр узла, находящегося под средним
давлением, с пределом измерения 0,25 МПа (2,5 кгс/см); 6 - предохранительный клапан; 7 - центральный
предохранительный затвор; 8 - запорная арматура в конце рампы; 9 - собирательный трубопровод;
10 - главная запорная арматура; 11 - запорная арматура для баллона;
12 - опорная конструкция для крепления рампы и баллонов



