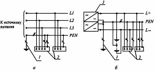
Система TN-C
Список продуктов
Данный раздел/документ содержится в продуктах:
Данный раздел/документ содержится в продуктах:
- Техэксперт: Охрана труда
- Техэксперт: Промышленная безопасность
- Техэксперт: Пожарная безопасность
- Техэксперт: Нормы, правила, стандарты и законодательство России
- Техэксперт: Нефтегазовый комплекс
- Техэксперт: Машиностроительный комплекс
- Техэксперт: Электроэнергетика
- Техэксперт: Теплоэнергетика
- Стройэксперт. "Вариант Лидер"
- Техэксперт: Эксплуатация зданий
- Стройтехнолог
СИСТЕМА TN-C
TN-C system
Система, в которой нулевой защитный и нулевой рабочий проводники совмещены в одном проводнике на всем ее протяжении
СИСТЕМА TN-C
Система , в которой нулевой защитный и нулевой рабочий проводники совмещены в одном проводнике на всем ее протяжении (рис.1.7.1);




