0 продуктов

Авторизация

Приборная розетка

Список продуктов
Данный раздел/документ содержится в продуктах:


ПРИБОРНАЯ РОЗЕТКА

(MAINS CONNECTOR)

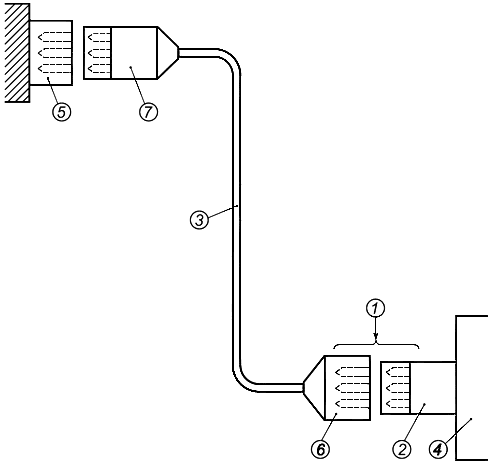
Часть ПРИБОРНОГО СОЕДИНИТЕЛЯ, составляющая единое целое или присоединяемая к гибкому шнуру, предназначенному для соединения с ПИТАЮЩЕЙ СЕТЬЮ.

Примечание - ПРИБОРНАЯ РОЗЕТКА предназначена для соединения с ПРИБОРНОЙ ВИЛКОЙ электрического изделия (см. рисунки 1 и 2).





1 - ПРИБОРНЫЙ СОЕДИНИТЕЛЬ; 2 - ПРИБОРНАЯ ВИЛКА; 3 - СЪЕМНЫЙ ШНУР ПИТАНИЯ; 4 - ME ИЗДЕЛИЕ; 5 - стационарная сетевая розетка/МНОГОРОЗЕТОЧНЫЙ СЕТЕВОЙ СОЕДИНИТЕЛЬ (MSO); 6 - ПРИБОРНАЯ РОЗЕТКА; 7 - СЕТЕВАЯ ВИЛКА

Рисунок 1 - Съемный шнур сетевого питания (см. Определения)

Категории продуктов

 

 

 

Знакомьтесь, "Техэксперт"

 Техэксперт для iPad

 Для Android

АКЦИЯ!

Бесплатный доступ