Приборная вилка
Список продуктов
Данный раздел/документ содержится в продуктах:
Данный раздел/документ содержится в продуктах:
- Техэксперт: Охрана труда
- Техэксперт: Нормы, правила, стандарты и законодательство России
- Техэксперт: Нефтегазовый комплекс
- Техэксперт: Машиностроительный комплекс
ПРИБОРНАЯ ВИЛКА
(APPLIANCE INLET)
Часть ПРИБОРНОГО СОЕДИНИТЕЛЯ, встроенная в электрическое изделие или ЗАКРЕПЛЕННАЯ на нем.
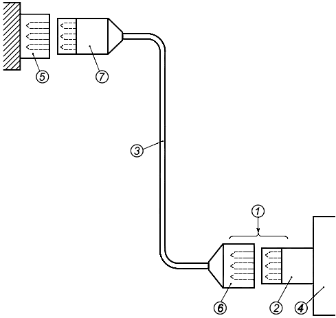
Примечание - См. рисунки 1 и 2.

1 - ПРИБОРНЫЙ СОЕДИНИТЕЛЬ; 2 - ПРИБОРНАЯ ВИЛКА; 3 - СЪЕМНЫЙ ШНУР ПИТАНИЯ; 4 - ME ИЗДЕЛИЕ; 5 - стационарная сетевая розетка/МНОГОРОЗЕТОЧНЫЙ СЕТЕВОЙ СОЕДИНИТЕЛЬ (MSO); 6 - ПРИБОРНАЯ РОЗЕТКА; 7 - СЕТЕВАЯ ВИЛКА
Рисунок 1 - Съемный шнур сетевого питания (см. Определения)




